ขอวิธีแก้หน่อยพี่ๆ
                                
กำลังแสดงผล 1 ถึง 10 จากทั้งหมด 10

ชื่อกระทู้: ขอวิธีแก้หน่อยพี่ๆ

  1. #1
    Junior Member TALOENGSAK's Avatar
    วันที่สมัคร
    Jun 2007
    ข้อความ
    75
    ขอบคุณ
    0
    ได้รับขอบคุณ 0 ครั้ง ใน 0 ข้อความ
    Blog Entries
    1
    ผลการให้คะแนน
    19

    มาตรฐาน ขอวิธีแก้หน่อยพี่ๆ



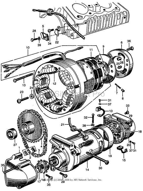
    โซ่ไดสตาร์ทมันหย่อน ผมไม่มีโซ่ราวลิ้น ใครพอทราบเปล่าว่าโซ่ราวลิ้นตัวไหนใช้แทนได้บ้างครับ ขอบคุณอย่างสูงครับem95













    รูป รูป  
    IP

  2. #2
    TOPCLASSIC's Avatar
    วันที่สมัคร
    Jan 2009
    ข้อความ
    4,614
    ขอบคุณ
    0
    ได้รับขอบคุณ 0 ครั้ง ใน 0 ข้อความ
    ผลการให้คะแนน
    21

    มาตรฐาน

    ก็โซ่ราวลิ้นหมูไงคับเอามาตัด
    IP

  3. #3
    tong_28ie's Avatar
    วันที่สมัคร
    Nov 2006
    สถานที่
    รถโบราณมหาวิทยาลัยนเรศวร "อุตสาตาเหลี่ยม"
    ข้อความ
    491
    ขอบคุณ
    0
    ได้รับขอบคุณ 0 ครั้ง ใน 0 ข้อความ
    ผลการให้คะแนน
    20

    มาตรฐาน

    อ้างอิง ข้อความดั้งเดิมโดยคุณ topclassic อ่านข้อความ
    ก็โซ่ราวลิ้นหมูไงคับเอามาตัด
    พี่เค้าบอกว่าไม่มีโซ่ราวลิ้นไม่ใช่หรอครับ หรืออย่างไงผมก็งง อิอิ
    [CENTER][FONT=Century Gothic][COLOR=darkred][SIZE=5][COLOR=blue]โทร

    ..น้oJ xมู llดJ
    ขตย-111
    พิษณุโลก

    ......................
    IP

  4. #4

    มาตรฐาน

    เคยคุยกับ คุณBank95 จำได้คุ้นว่า ระวังเรื่องเอา โซ่ราวลิ้นมาใช้แทนโซ่สตาร์ท ความหนาจะเพิ่มขึ้นกว่าเดิม
    จะทำให้ไปโดน ขดทองแดงของฟิลคอยล์ ทำให้ ฟิลคอยล์ไฟรั่ว ได้
    ความหนาของ โซ่ ต่างกัน ผมก็ไม่แน่ใจฟังมากอีกที แต่ยืนยันว่าแบ๊งค์พูดหลายรอบมากๆจนจำได้

    ถ้าจำไม่ผิดนะครับ แต่ถ้าผิดก็ขออภัยครับ

    เป็นผมจะหาโซ่สตาร์ทครับ ตัดปัญหา ผมว่า ปัจจุบันไม่น่าจะหาอะหลั่ยยากนะครับ
    IP

  5. #5
    Junior Member
    วันที่สมัคร
    Feb 2007
    ข้อความ
    21
    ขอบคุณ
    0
    ได้รับขอบคุณ 0 ครั้ง ใน 0 ข้อความ
    ผลการให้คะแนน
    0

    มาตรฐาน

    อ้างอิง ข้อความดั้งเดิมโดยคุณ taloengsak อ่านข้อความ
    โซ่ไดสตาร์ทมันหย่อน ผมไม่มีโซ่ราวลิ้น ใครพอทราบเปล่าว่าโซ่ราวลิ้นตัวไหนใช้แทนได้บ้างครับ ขอบคุณอย่างสูงครับem95
    สั่งซื้อโซ่สตาร์ทของคุณ ที 555 เลยครับ ตรงรุ่น 95 พอดีครับ ราคาก็ไมกี่ตังค์เอง เอามาแล้วใส่ได้เลยครับ
    IP

  6. #6

    มาตรฐาน

    เป็นทางที่ดีที่สุดครับ
    IP

  7. #7

    มาตรฐาน

    โซ่สตาร์ท กับ โซ่ราวลิ้น ความหนา เหมือนกัน ต่างกันที่ ความยาวข้อต่อ ครับ

    โซ่สตาร์ท มีขนาด 219 และ 58ข้อ ครับ ในขณะที่ โซ่ราวลิ้น ก้อ 219 78ข้อ ครับ

    ปล. โซ่สตาร์ท c92 c95 มีความยาวเท่ากันกับ cb72 cb77 ครับ

    เอาพอหอมปากหอมคอครับ





    "สโลแกน ร้านเรา.... ซื่อสัตย์ จริงใจ ไม่สุภาพ"
    [[ ร้านอะไหล่สำหรับคนรักรถเก่าที่ฉลาดเลือก ]]

    ร้าน อยู่ ซ.จันทร์ทองเอี่ยม อ.บางบัวทอง จ.นนทบุรี
    โทร. 02 - 920 4006 // 083 - 232 2000 //

    ร้านเปิด วันจันทร์ - วันเสาร์ หยุดวันอาทิตย์ // ทำงาน เวลา 9โมงเช้า - 2ทุ่ม
    "" ขอความกรุณา โทรตามวันเวลาดังกล่าวด้วย ""
    เลขที่บัญชี ชำระเงิน
    1284076757 ธ.กรุงเทพ // 7442235575 ธ.กสิกรไทย // 3862169797 ธ.ไทยพาณิชย์ ยงยุทธ อังศุกรานต์

    IP

  8. สมาชิกเหล่านี้ "ขอบคุณ" คุณ : Motor classic shops สำหรับกระทู้นี้ :

    dakiller (07-08-2013)

  9. #8
    oh's Avatar
    วันที่สมัคร
    Dec 2005
    สถานที่
    บางใหญ่
    ข้อความ
    2,328
    ขอบคุณ
    1
    ได้รับขอบคุณ 0 ครั้ง ใน 0 ข้อความ
    ผลการให้คะแนน
    23

    มาตรฐาน

    อ้างอิง ข้อความดั้งเดิมโดยคุณ motor classic shops อ่านข้อความ
    โซ่สตาร์ท กับ โซ่ราวลิ้น ความหนา เหมือนกัน ต่างกันที่ ความยาวข้อต่อ ครับ

    โซ่สตาร์ท มีขนาด 219 และ 58ข้อ ครับ ในขณะที่ โซ่ราวลิ้น ก้อ 219 78ข้อ ครับ

    ปล. โซ่สตาร์ท c92 c95 มีความยาวเท่ากันกับ cb72 cb77 ครับ

    เอาพอหอมปากหอมคอครับ





    ขอบคุณข้อมูลดีๆ ครับพี่ตั้ม จะได้ไม่สับสน
    Honda Vintage Bike Mania
    Love the classic and authentic traditional direct model.
    ชมรมอนุรักษ์รถโบราณบางใหญ่
    บางใหญ่คลาสสิคคลับ
    http://www.thaiscooter.com/forums/fo...play.php?f=149

    Honda Vintage Bike on tour..
    http://www.thaiscooter.com/forums/sh...d.php?t=447995

    แนะนำเวปฝากรูป ฝากไฟล์ ฝากได้ ฝากดี ไม่มีล่มครับ
    http://image.ohozaa.com/index.php
    IP

  10. #9
    TOPCLASSIC's Avatar
    วันที่สมัคร
    Jan 2009
    ข้อความ
    4,614
    ขอบคุณ
    0
    ได้รับขอบคุณ 0 ครั้ง ใน 0 ข้อความ
    ผลการให้คะแนน
    21

    มาตรฐาน

    ที่โซ่ลาวลิ้นมันใส่แล้วมันขูดมัดไฟ โซที่เอามาตัดทำคงจะเป็นโซ่เก่าป่าวคับเพราะว่ามันโด นใช้งานมามากมันอาจยืดได้คับเดาเอานะ สตาดมือมันเท่แต่ไม่มันอะคับ อิ อิ
    IP

  11. #10
    NAKED_MAN's Avatar
    วันที่สมัคร
    Feb 2009
    สถานที่
    โจ๋...แรนเจอร์
    ข้อความ
    964
    ขอบคุณ
    0
    ได้รับขอบคุณ 1 ครั้ง ใน 1 ข้อความ
    ผลการให้คะแนน
    17

    มาตรฐาน


    โซ่สตาร์ทหย่อน ถ้าไม่มากเอาแหวนรองได้ครับ รองตรงหลังไดร์ครับ มันจะตึงขึ้นนิดหน่อยพอแก้ขัดได้ครับ ถ้ารองเยอะมันจะใส่น้อตไม่ได้ สองตัวครับ ลองดูครับ แต่ตึงมากก็ไม่ดีนะครับ ลูกปืนข้อ ไปเร็ว
    IP

Bookmarks

กฎการส่งข้อความ

  • You may not post new threads
  • You may not post replies
  • You may not post attachments
  • You may not edit your posts
  •