[ ซื้อ ] หาอะไหล่cb350ครับ
                                
กำลังแสดงผล 1 ถึง 8 จากทั้งหมด 8

ชื่อกระทู้: หาอะไหล่cb350ครับ

  1. #1

    มาตรฐาน หาอะไหล่cb350ครับ



    ต้องการลูกเบี้ยวคลัทช์cb350แบบครบชุดครับ ใครมีช่วยลงรูปและเบอร์ติดต่อไว้ครับ
    เตือน : กระทู้เก่า
    กระทู้นี้เก่ากว่า 360 วัน ข้อมูลและสินค้าบางรายการ อาจจะไม่ตรงกับปัจจุบัน โปรดสอบถามก่อน

  2. #2

    มาตรฐาน

    หาอยู่ครับ

  3. #3

    มาตรฐาน

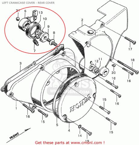
    ตามรูปที่วงกลมไว้
    Name:  ลูกเบี้ยวคลัทช์.jpg
Views: 625
Size:  43.0 KB

  4. #4

    มาตรฐาน

    อ้างอิง ข้อความดั้งเดิมโดยคุณ gbg199 อ่านข้อความ
    ของเดิมเสียแบบไดครับหรือว่าหาย
    ของเดิมตัวยึดสายคลัทช์หักครับ

  5. #5

    มาตรฐาน

    หาอีกครั้ง

  6. #6

    มาตรฐาน

    หาอยู่ครับ

  7. #7
    Member gbg199's Avatar
    วันที่สมัคร
    Mar 2006
    สถานที่
    -ไม่มี
    ข้อความ
    140
    ขอบคุณ
    0
    ได้รับขอบคุณ 0 ครั้ง ใน 0 ข้อความ
    Blog Entries
    3
    ผลการให้คะแนน
    20

    มาตรฐาน

    อ้างอิง ข้อความดั้งเดิมโดยคุณ te_c100 อ่านข้อความ
    หาอยู่ครับ
    เหมือนผมเลยแต่ผมซ่อมเอาครับใช้เชื่อมพอกแล้วแด่งเอา ตอนนี้ชัวเลย(เชื่อมอเซ็ททีลีนหัวรูเบอร์เล็กไฟอ่อนๆ ขอช่างฝีมือดีหน่อย)

  8. #8

    มาตรฐาน


    อ้างอิง ข้อความดั้งเดิมโดยคุณ gbg199 อ่านข้อความ
    เหมือนผมเลยแต่ผมซ่อมเอาครับใช้เชื่อมพอกแล้วแด่งเอา ตอนนี้ชัวเลย(เชื่อมอเซ็ททีลีนหัวรูเบอร์เล็กไฟอ่อนๆ ขอช่างฝีมือดีหน่อย)
    ขอบคุณครับ จะลองดูครับ

กระทู้ที่คล้ายกัน

  1. [ แลก ] Cb350สเปคนอก เดิมๆ แลกอะไรได้บ้าง
    By augusting in forum Scooter - Vespa - Lambretta - Scomadi
    คำตอบ: 36
    ข้อความล่าสุด: 07-02-2012, 17:54
  2. คำตอบ: 1
    ข้อความล่าสุด: 18-12-2010, 07:37
  3. ต้องการ cb350 มีทะเบียนโอน
    By นันท์โนยัน in forum Honda Classic
    คำตอบ: 11
    ข้อความล่าสุด: 14-07-2010, 00:35
  4. คำตอบ: 35
    ข้อความล่าสุด: 11-07-2010, 19:23

Bookmarks

กฎการส่งข้อความ

  • You may not post new threads
  • You may not post replies
  • You may not post attachments
  • You may not edit your posts
  •