ใครเคยเปลี่ยนแผ่นครัส หมูเองบ้างครับช่วยแนะนำหน่อย ถ้ามีรูปรูปกอบจะดีมากๆเลย
รบกวนหน่อยนะครับรถผมป่วยมาก ขับเหมือนบีบครัสตลอด หาร้านทำไม่ได้จะลองทำเอง
ผมแนะนำให้คุณลองตั้งครัชดูก่อนนะครับครัชอาจจะหย่อน ไปแต่ถ้าตังอย่างไรก็ไม่หายสักทีก็ลองเปลี่ยนดู
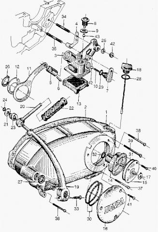
ไม่ยากหรอกครับ ถ้าไม่เคยเปลี่ยนควรมี part list
เริ่มจากหย่อนครัช ที่ตัวเร่งครัช หลังจากนั้นถ่ายน้ำมันเครื่อง,ถอดท่อด้านขวา,ขาเบรก, คันสตาร์ทและฝาเครื่องออก
ดูตามpart list ต้องถอดฝา กดครัชซึ่งมีน๊อตเบอร์10(มั้ง)จับอยู่สี่ตัว
ถอดฝา กดครัชออก หลังจากนั้นสังเกตุดูว่าแผ่นเหล็กกับแผ่นครัชอยู่อย่ างไรเมื่อเข้าใจแล้วถอดออกมาเอาแผ่นใหม่ใส่เข้าไป
ประกอบย้อนศรจากที่ถอดปรับความตึงครัช ทดสอบติดเครื่อง(ถ้าครัชหย่อนไปจะกระทืบไม่ติดเกิดอา การวืด แต่ถ้าตึงไปจะเกิดอาการกำครัชไม่จากครับ)
แก้ไขครั้งสุดท้ายโดย tid_champ : 03-06-2013 เมื่อ 22:44
ปลอกเลื่อนคลัทช์เคยเจอ 2 แบบแบบมีลูกปืนกับไม่มี แนะนำอย่างนี้ครับ ตั้งระยะฟรีของตัวบีบสายคลัทช์ให้ได้ก่อน ลองบีบคลัทช์ดูถ้าแกนดันคลัทช์ทำงานจะรู้สึกดังตึก ถ้าปล่อยคลัทช์ก็จะรู้สึก
ถ้าตั้งได้แล้วก็ลองสตาร์ทคลัทช์จะจับเครื่องก็จะหมุ น ถ้าตั้งแล้วสตาร์ทแล้วเบาเครื่องหมุนลื่นเกินก็ตั้งใ หม่ เอาประมาณนี้ก่อนที่จะเปลี่ยนผ้า
ถึงแล้ว....บางสะพาน
ไหว้พระดี หลวงปู่อินทร์ - หลวงปู่ท้วม
สำหรับโอนเงินบัญชี วิริยะ สว่างชม เลขที่ 5920124624 ธนาคารกรุงเทพ สาขาบางสะพาน ประจวบนะครับโอนเงินแล้วโทรแจ้ง 0897468425 ครับส่งของให้อย่างไวเลย
เวลาทำการ 8.00-20.00 ครับ เลยเวลานี้ปิดโทรศัพท์นอนครับLine ID: mommam931 / Facebook : Viriya mommam
ถึงแล้ว....บางสะพาน
ไหว้พระดี หลวงปู่อินทร์ - หลวงปู่ท้วม
สำหรับโอนเงินบัญชี วิริยะ สว่างชม เลขที่ 5920124624 ธนาคารกรุงเทพ สาขาบางสะพาน ประจวบนะครับโอนเงินแล้วโทรแจ้ง 0897468425 ครับส่งของให้อย่างไวเลย
เวลาทำการ 8.00-20.00 ครับ เลยเวลานี้ปิดโทรศัพท์นอนครับLine ID: mommam931 / Facebook : Viriya mommam
ถึงแล้ว....บางสะพาน
ไหว้พระดี หลวงปู่อินทร์ - หลวงปู่ท้วม
สำหรับโอนเงินบัญชี วิริยะ สว่างชม เลขที่ 5920124624 ธนาคารกรุงเทพ สาขาบางสะพาน ประจวบนะครับโอนเงินแล้วโทรแจ้ง 0897468425 ครับส่งของให้อย่างไวเลย
เวลาทำการ 8.00-20.00 ครับ เลยเวลานี้ปิดโทรศัพท์นอนครับLine ID: mommam931 / Facebook : Viriya mommam
ไม่น่ามาจากไฟ ครับน่าจะเป็นที่น้ำมันครับ ถ้าไฟหมดมันไม่น่าจะติดได้อีกครับ หรือลูกสูบติดหรือเปล่าครับอาการที่ดับเป็นอย่างไรคร ับ
Bookmarks